I. TL-S series micro hydraulic power unit technical parameters
Brief introduction of the function:
This is a LPU independently developed by hangzhou Flowtell company in order to adapt to China's current valve electro-hydraulic control by introducing advanced Germany’s hydraulic control technology.the PLU can be divided into AC220V and DC24V power supply options, the performance and quality of the international advanced level.Both opening and closing of double acting power unit TL-D are driven by oil pressure.The single acting power unit TL-S is turned on or off by the oil pressure, and the other stroke is reset by the spring. Intelligent electro-hydraulic actuator (TJ) can adjust valve opening degree according to 4 ~ 20mA control signal. All the power units mentioned above can realize explosion-proof design.
1. Protection level: IP66 is provided. IP68 can be specially designed.
2. Ambient temperature :-20 ~ +80℃
3. Cable interface: sealing cap thread M20*1.5
4. Working pressure :110~160Bar Maximum pressure :180Bar
5. Working oil :32# hydraulic oil or homogeneous product
6. Oil tank capacity :300~600cc
7. Electrical parameters
| TL-S/AC | TL-S/DC |
Motor certificate | Standard | Standard |
Motor parameter | 220V/1PH;50/60 Hz | DC24V |
Motor Power | 200W | 200W |
Limit switch & Solenoid voltage | 24VDC | 24VDC |
Analog feedback signal | On-off or 4-20mA(only TJ) | On-off or 4-20mA(only TJ) |
Class of motor work | S3-10% | S1 |
Power unit flow | Approx:0.55L/min | Approx:0.55L/min |
Maximum ambient temperature | 80℃ | 80℃ |
II. Structure composition of TL-S micro electro-hydraulic actuator

III. Hydraulic working principle of SR/TL-S

TL-S hydraulic working principle
The control signal of the valve is from the remote control signal or the local button of the actuator electric control cabinet. Reset by the spring after power off.
1. Opening the valve: power unit TL-S get the opening valve signal, the solenoid valve is cut off the bypass oil circuit, the motor starts to drive the hydraulic pump to provide power oil to the spring-return actuator, until the actuator is fully opened; Then the actuator limit switch sends out the signal to cut off the motor power and sends "valve open" Signal feedback to the integrated control cabinet. (Note: After the valve is opened, the solenoid valve will automatically keep the excitation state, maintain the bypass closed state, the valve is always open)
2. Closing the Valve: power unit TL-S gets the closing valve signal, the solenoid valve is cut off, and the solenoid valve opens the bypass oil circuit, and the actuator is closed under the action of the spring force.Then the actuator limit switch sends out the "valve CLOSE" signal to the integrated control cabinet.
3. Intelligent adjusting valve control: Actuator plus distribution level meter and regulating circuit board can adjust the valve opening degree. The actuator 0°~90° stroke position can be adjusted under the 4~20ma control signal.The adjustment accuracy can reach 0.5% ~ 0.8%.
4. Three-break state valve Position: When the hydraulic unit running in the "three-break" situation (power off, no signal, break pressure), the actuator closes or open the valve.
5. When the valve is opened, the intelligent electro-hydraulic actuator is equipped with automatic pressure refill function to keep the valve position stable.
6. Valve stuck alarm: When the actuator gets the open valve (or close valve) signal, and the valve is stuck and cannot be fully opened (or closed), the electric motor of the hydraulic unit will be cut off by the pre-preset time relay in the circuit board and send the valve stuck alarm at the same time.
7. Emergency local operation: the actuator has an emergency operation interface. In the case of "three breaks", the valve actuator can be opened or closed through a portable emergency hand pump.
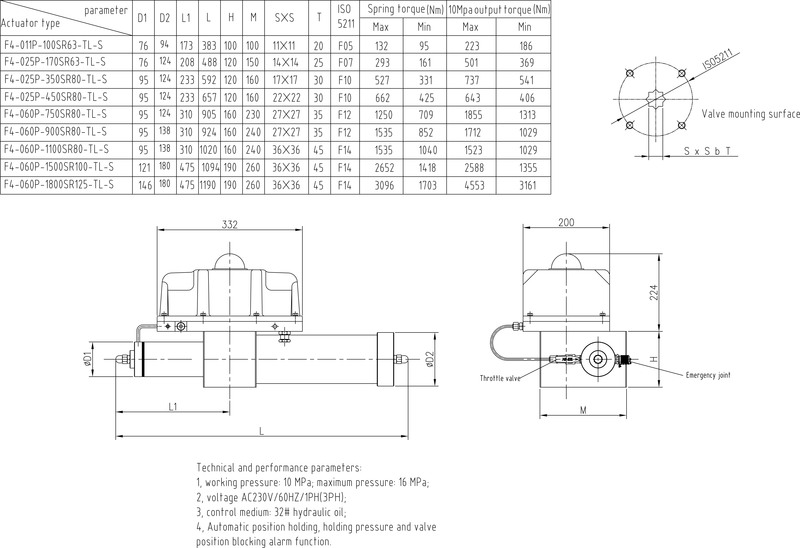
Ⅳ. Dimensions and technical parameters
TL-S series electro-hydraulic actuator (angle stroke)

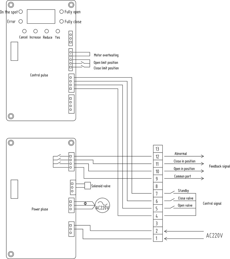
V. Schematic diagram of electrical wiring

VI. Remarks
1. The LPU for AC220V is the S3 working system; For DC24V is the S1 working system.
2. Before installation, the hydraulic components such as cylinders, oil pipes and joints must be cleaned without any impurities.
3. The viscosity of hydraulic oil should be 15~68CST. It should be clean and free of impurities. It is recommended to use 32# hydraulic oil.
4. The LPU is suitable for horizontal or vertical installation.
5. After starting the operating system for the first time, immediately check whether the oil in the oil tank is sufficient.
6. After the first 100 hours of system use, the hydraulic oil should be replaced and the hydraulic oil should be replaced every 3000 hours.

TL-S series of micro single acting electrohydraulic linkage actuators ( Download )